Свежесть внутри
Животные – неотъемлемая часть нашей жизни, и важно учитывать их потребности при организации окружающей среды. Как и людям, питомцам необходимы подходящие
Создание комфортных и безопасных условий для жизни и работы включает в себя множество факторов, среди которых правильная организация воздухообмена играет ключевую роль.
Для комфортного и безопасного проживания в помещениях необходимо поддержание надлежащего состояния всех инженерных систем, в том числе и воздуха.
Правильная организация системы обмена воздуха в помещениях играет важную роль для обеспечения комфортных условий. Однако, наряду с техническими аспектами
Поддержание оптимального климата в помещениях для активных тренировок – важная составляющая здоровья занимающихся. От того, как организована циркуляция
Каждое помещение, в котором используются водные объекты, нуждается в грамотной системе контроля влажности и воздухообмена. Влажность, возникающая при испарении
Забота о здоровье и благополучии людей является основным приоритетом в любой медицинской практике. Одним из ключевых факторов, влияющих на комфорт и безопасность
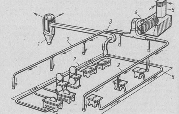
Правильная организация потоков воздуха на производственных объектах имеет решающее значение для создания комфортных условий труда и обеспечения безопасности.
Каждое здание, независимо от его назначения, требует должного подхода к воздухообмену. От его организации зависит не только качество воздуха, но и общее
Эффективная циркуляция воздуха в любом здании имеет ключевое значение для комфорта и здоровья его обитателей. Системы, которые обеспечивают постоянное










