Создание комфортных условий в закрытых пространствах требует внимательного подхода к организации воздушных потоков. В современных зданиях важно не только обеспечить циркуляцию воздуха, но и контролировать его качество, чтобы избежать накопления загрязнителей и поддерживать оптимальный микроклимат. Эта задача становится особенно актуальной в условиях повышенных требований к экологии и безопасности.
Для достижения таких целей разработаны различные решения, которые позволяют эффективно управлять движением воздушных масс. Подобные системы активно используются как в жилых, так и в коммерческих и производственных помещениях. Их главная цель – создание здоровых условий, оптимальных для жизни и работы людей, независимо от внешних факторов.
В этом разделе рассмотрим, как такие технологии влияют на улучшение качества воздуха, какие системы существуют и как правильно выбрать подходящее решение в зависимости от особенностей объекта.
Облако тегов
системы очистки воздухауправление микроклиматомкачество воздухасвежий воздухклимат-контрольздоровый климатпомещенияудаление загрязнителейэффективностьгигиена воздуха
Принципы работы системы обмена воздуха
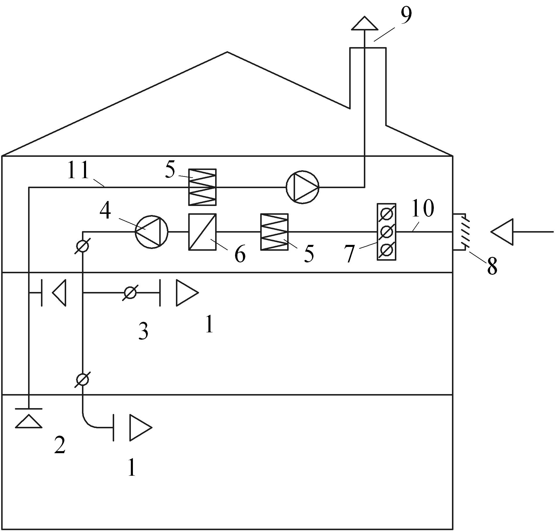
Системы, отвечающие за движение и обновление воздушных масс в помещениях, основываются на нескольких ключевых принципах, которые обеспечивают их эффективность. Эти устройства позволяют не только поддерживать оптимальный микроклимат, но и активно удалять загрязняющие вещества, создавая здоровую атмосферу внутри зданий. Принципы работы таких систем заключаются в управлении потоками воздуха с использованием различных механизмов для того, чтобы воздух в помещении всегда оставался свежим и чистым.
Принцип циркуляции воздуха
Одним из главных аспектов таких систем является циркуляция воздушных масс. Система должна обеспечить регулярный поток свежего воздуха, который вытесняет загрязнённый и насыщенный углекислым газом. Для этого используются вентиляторы и воздуховоды, которые создают необходимое движение потоков, поддерживая равномерное распределение воздуха по всему помещению. Это позволяет эффективно бороться с застоявшимися зонами, где воздух может становиться опасным для здоровья.
Принцип контроля температуры и влажности
Кроме того, важным аспектом работы таких установок является способность поддерживать комфортную температуру и влажность. Современные устройства могут регулировать эти параметры в автоматическом режиме, сохраняя в помещении баланс и предотвращая как перегрев, так и переохлаждение. Это особенно важно в больших и многозонных зданиях, где поддержание стабильных климатических условий требует точного управления.
Облако тегов
обмен воздухаочистка воздухарегулировка температурыповышение качества воздухакомфортные условияконтроль влажностипотоки воздухасистемы климат-контроляуправление климатомобслуживание помещений
Типы систем обмена воздухом и их особенности
Системы, предназначенные для обеспечения оптимальных условий в помещениях, могут варьироваться в зависимости от способа доставки и удаления воздуха. Разнообразие конструкций таких установок позволяет подобрать решение, соответствующее конкретным потребностям и требованиям здания. Каждая из них обладает уникальными характеристиками и принципами работы, что влияет на её функциональность и эффективность в различных условиях эксплуатации.
Один из наиболее распространённых вариантов – это системы с естественным движением воздуха. В таких установках процесс обновления воздуха происходит за счет разницы температур или давления, без применения дополнительных механических устройств. Это достаточно экономичное решение, однако оно не всегда обеспечивает нужную степень контроля над качеством воздушных масс.
В свою очередь, системы с принудительным движением воздуха представляют собой более сложные конструкции, включающие вентиляторы и воздуховоды, что позволяет активно управлять потоками. Эти установки обеспечивают высокую эффективность и точность регулировки, что делает их идеальными для использования в помещениях с высокой плотностью людей или в тех, где важен строгий контроль за атмосферными условиями.
Кроме того, существуют комбинированные решения, которые объединяют оба принципа. Такие системы позволяют автоматически переключаться между естественным и принудительным обменом воздухом в зависимости от внешних условий или внутренней нагрузки. Это гибкое и многофункциональное решение, которое подходит для различных типов объектов, от жилых домов до промышленных комплексов.
Облако тегов
естественное движение воздухапринудительное движение воздухаклиматические установкисистемы с вентиляторомкомбинированные решенияуправление потокамиэффективность системвоздушный обменрегулировка условийконструкция системы
Преимущества и недостатки систем искусственного воздухообмена
Системы, предназначенные для управления качеством воздуха в помещениях, обладают как положительными, так и отрицательными сторонами. Такие установки обеспечивают высокий уровень контроля за климатом, создавая комфортные условия для обитателей зданий. Тем не менее, как и любые технологические решения, они могут иметь свои ограничения и требовать определённых усилий для оптимальной эксплуатации.
Одним из главных преимуществ таких систем является способность поддерживать заданный микроклимат независимо от внешних условий. Это особенно важно для помещений, где необходимо точное регулирование температуры и уровня влажности. Также современные решения могут эффективно фильтровать воздух, удаляя загрязняющие вещества и пыль, что существенно улучшает качество окружающей среды.
Однако стоит отметить и недостатки, такие как высокая стоимость установки и обслуживания. Системы с принудительным движением требуют регулярной очистки фильтров и проверки состояния оборудования, что увеличивает эксплуатационные расходы. К тому же, в некоторых случаях, такие системы могут создавать избыточный шум, что может стать проблемой в жилых помещениях или офисах.
Ещё одной проблемой является потребление энергии, особенно если система работает на полную мощность круглосуточно. Это может привести к значительному увеличению затрат на электричество. Поэтому перед установкой таких решений важно тщательно оценить все плюсы и минусы, чтобы выбрать оптимальное решение для конкретного объекта.
Облако тегов
качество воздухаэнергопотреблениеудаление загрязнителейрегулировка климатафильтрация воздухаобслуживание системыстоимость установкиэффективностьэксплуатационные расходышум от оборудования








