Создание оптимальных условий для воздухообмена в помещениях требует применения специальных устройств. Эти устройства призваны обеспечивать правильную циркуляцию воздушных масс, исключая застой и минимизируя влияние внешних факторов на микроклимат. Правильный подбор оборудования играет ключевую роль в долговечности и эффективности всей системы.
Процесс оснащения объекта нужными механизмами не ограничивается только их приобретением. Важным моментом является корректный монтаж, который напрямую влияет на результат. Качество и безопасность работы таких устройств зависит от множества факторов, включая технические характеристики и грамотную установку.
Для того чтобы система функционировала максимально эффективно, необходимо учитывать особенности строения помещения, его назначение, а также условия эксплуатации. Также следует учитывать требования по энергоэффективности и экономии.
Облако тегов
Как правильно подобрать устройство для обеспечения воздухообмена
При организации воздушного потока в любых системах крайне важно учитывать множество факторов, влияющих на результат. От правильности выбора механизма зависит не только эффективность работы всей системы, но и срок службы оборудования. Несколько ключевых характеристик помогут определить, какой именно аппарат подходит под конкретные условия.
Главное внимание стоит уделить таким аспектам, как мощность устройства, тип конструкции, а также уровень шума, который оно генерирует. Эти параметры влияют на комфорт эксплуатации и технические характеристики всей системы. Следует также учитывать факторы, связанные с возможностью обслуживания и экономией ресурсов.
Кроме того, важно подобрать оптимальное оборудование с учетом физических характеристик помещения и климатических условий. Например, для эксплуатации в условиях высокой влажности или загрязненности воздуха могут быть нужны устройства с особенными характеристиками защиты и фильтрации.
Облако тегов
Особенности монтажа оборудования для улучшения воздухообмена
При проведении монтажных работ особое внимание следует уделить расположению устройства, а также креплению и герметичности соединений. Ошибки на этом этапе могут вызвать проблемы с шумом или ухудшением качества потока воздуха. Не стоит забывать и об учете требований к доступности для технического обслуживания и замены компонентов.
Кроме того, важным аспектом является выбор места для установки, которое должно быть таким, чтобы обеспечить оптимальные условия для устройства. Площадь помещения, особенности его архитектуры и плотность воздуха могут существенно повлиять на эффективность системы.
Облако тегов
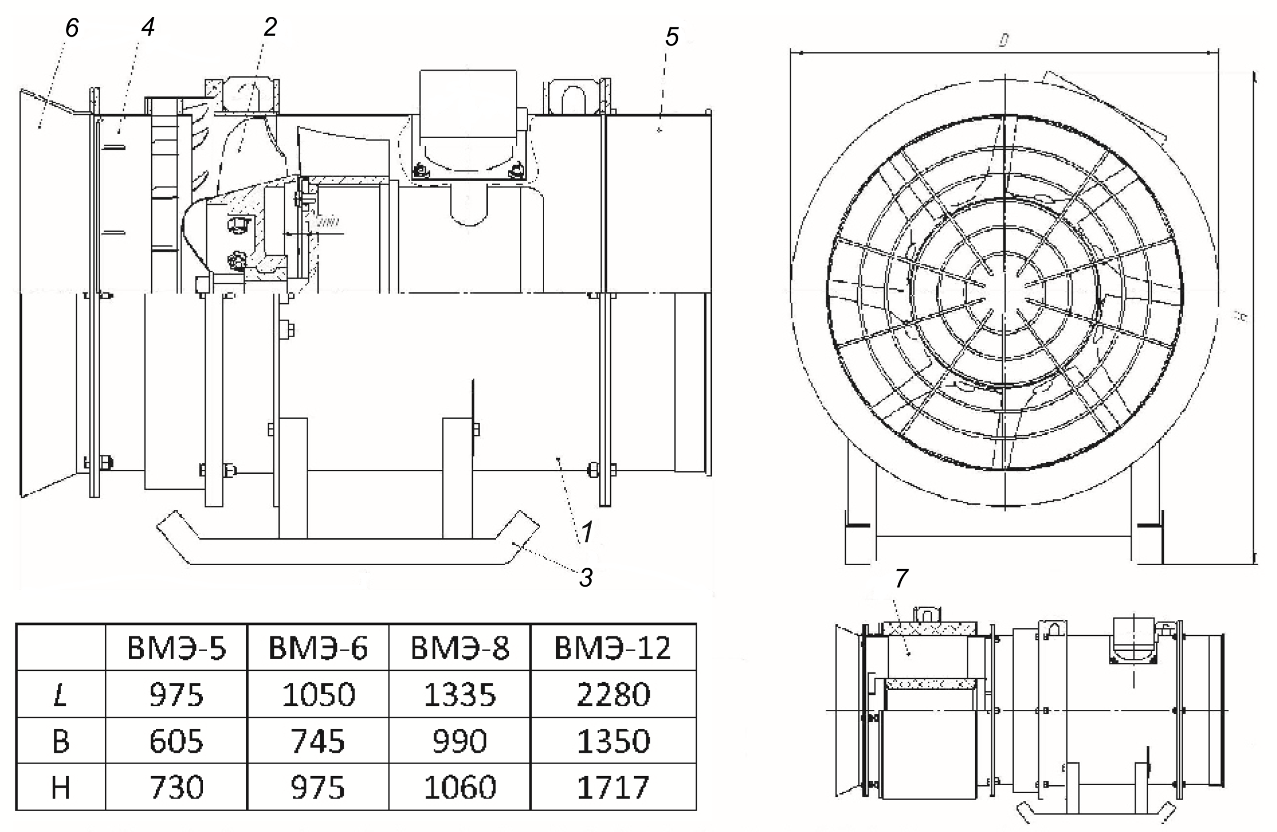
Типы устройств для системы воздухообмена
Существуют различные решения, которые могут быть использованы в зависимости от целей, условий эксплуатации и особенностей помещения. Каждый тип устройства имеет свои преимущества, которые могут оказывать влияние на эффективность всей системы. Важно правильно выбрать модель, подходящую по техническим характеристикам и функциональности.
Основные различия заключаются в принципе работы, способах установки и обслуживании. Например, устройства могут различаться по мощности, типу мотора, а также способу регулировки потока воздуха. От выбора этих характеристик зависит общая продуктивность и долговечность системы.
Кроме того, стоит учитывать, что каждое устройство имеет особенности, которые могут быть полезны в конкретных условиях. Некоторые модели подходят для работы в условиях повышенной влажности, другие – для эксплуатации в промышленных зонах с повышенными требованиями к надежности и долговечности.








