Каждое помещение, в котором используются водные объекты, нуждается в грамотной системе контроля влажности и воздухообмена. Влажность, возникающая при испарении воды, может привести к серьезным проблемам, включая образование плесени и порчу строительных материалов. Чтобы этого избежать, важно заранее позаботиться о создании комфортных условий для использования таких пространств.
В процессе проектирования таких систем необходимо учитывать не только уровень влажности, но и температурные колебания, которые могут сильно повлиять на атмосферу внутри помещения. Несоответствующая система может привести к накоплению влаги и неприятным последствиям, поэтому важно подходить к выбору и установке с особым вниманием.
Определение оптимальных параметров для поддержания здоровья и комфортных условий является ключевым этапом. Это требует знаний специфики и требований к помещению, а также учета технологических особенностей. Такой подход обеспечит долгосрочную эксплуатацию и минимизацию затрат на поддержание необходимого климата.
- Облако тегов
- Зачем необходима система воздухообмена в помещении с водоемом
- Как влажность влияет на пространство
- Проблемы, которые могут возникнуть без должного контроля
- Облако тегов
- Основные принципы работы системы воздухообмена в водоемах
- Контроль за влажностью и температурой
- Распределение потока воздуха
- Облако тегов
- Ошибки при создании системы воздухообмена в помещении с водоемом
- Неправильное распределение воздушных потоков
- Игнорирование специфики помещения
- Облако тегов
Облако тегов
Зачем необходима система воздухообмена в помещении с водоемом
Использование водных объектов в закрытых пространствах требует особого подхода к созданию комфортных условий. Без соответствующей установки системы, обеспечивающей эффективный воздухообмен, уровень влажности может быстро выйти из-под контроля. Это может привести к негативным последствиям для здоровья, а также ухудшению состояния отделочных материалов и строительных конструкций.
Главной задачей такой системы является контроль влажности и поддержание оптимальной температуры. Это помогает предотвратить образование конденсата, плесени и грибка, которые могут разрушить интерьер и вызвать аллергические реакции. Более того, система способствует лучшему воздухообмену и удалению неприятных запахов, что улучшает атмосферу в помещении.
Как влажность влияет на пространство
Чрезмерная влажность негативно сказывается не только на состоянии стен и потолков, но и на здоровье людей. Особенно важно следить за уровнем влажности в закрытых помещениях, где часто используются водоемы, так как это влияет на комфорт и общее самочувствие. Чистый воздух и правильная циркуляция предотвращают накопление бактерий и микроорганизмов, создавая здоровую среду для отдыха.
Проблемы, которые могут возникнуть без должного контроля
Отсутствие контроля над влажностью и температурой может привести к серьезным последствиям. Это касается не только разрушения мебели и отделки, но и потенциальных проблем с электрическим оборудованием, а также с ростом плесени. Все эти факторы подчеркивают важность установки эффективной системы, которая обеспечит идеальные условия для эксплуатации водных объектов в помещении.
Облако тегов
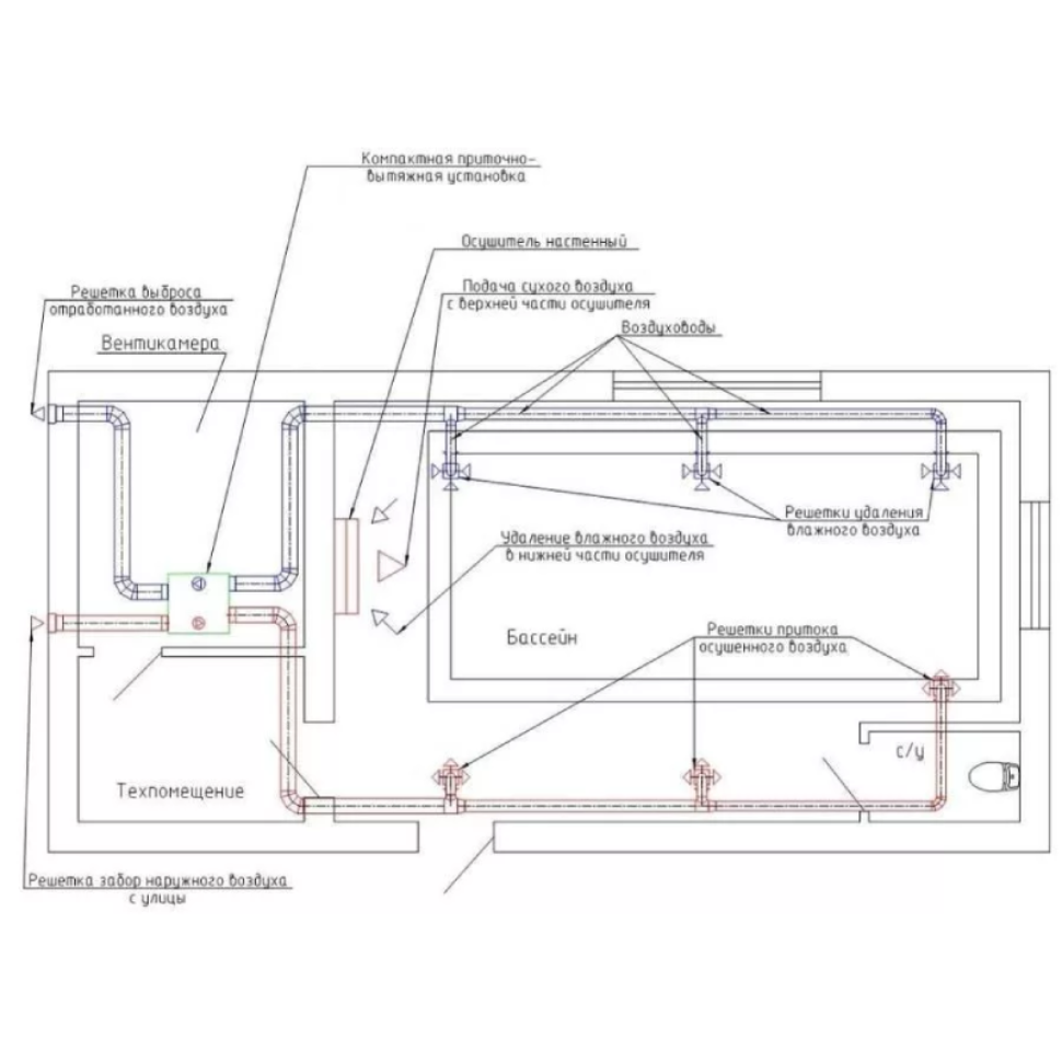
Основные принципы работы системы воздухообмена в водоемах
Для обеспечения комфортных и безопасных условий в помещении, где используются водоемы, необходимо учитывать несколько ключевых факторов. Главное внимание стоит уделить поддержанию оптимального климата, который предотвратит образование конденсата и излишней влажности. Такой подход способствует не только сохранению внутреннего пространства, но и улучшению общего самочувствия людей, находящихся в помещении.
Система должна обеспечивать непрерывную циркуляцию воздуха, что способствует нормализации температуры и влажности. Важными аспектами являются правильный подбор мощности установки и ее распределение по всему помещению. Эффективное распределение позволяет поддерживать постоянный обмен воздуха, что предотвращает застой и накопление влаги в отдельных зонах.
Контроль за влажностью и температурой
Один из основополагающих принципов – это стабильный контроль влажности и температуры. При чрезмерном повышении этих показателей возникает риск образования плесени и разрушения строительных материалов. Система должна работать таким образом, чтобы влажность не превышала допустимых значений, а температура оставалась комфортной для пользователей.
Распределение потока воздуха
Равномерное распределение воздушных потоков по всему помещению также является важным элементом. Неправильно расположенные элементы могут создать зоны с недостаточной циркуляцией, что приведет к локальному повышению влажности и даже образованию конденсата. Идеальная система должна обеспечивать оптимальное распределение, исключающее любые «мертвые» зоны.
Облако тегов
Ошибки при создании системы воздухообмена в помещении с водоемом
Несмотря на важность установки эффективной системы, многие владельцы помещений с водоемами сталкиваются с рядом ошибок при ее проектировании и монтаже. Неправильный выбор оборудования, а также недооценка особенностей эксплуатации могут привести к неприятным последствиям, таким как избыточная влажность, плесень или ухудшение качества воздуха. Важно заранее понять, какие ошибки могут возникнуть и как их избежать, чтобы создать комфортную среду и продлить срок службы конструкции.
Одна из наиболее распространенных ошибок – это неверный расчет мощности системы. Когда оборудование не соответствует требованиям по производительности, оно не справляется с объемом воздуха, что приводит к нехватке циркуляции и повышению влажности. В результате этого нарушается микроклимат, и появляются проблемы, связанные с комфортом и безопасностью.
Неправильное распределение воздушных потоков
Другой частой ошибкой является неравномерное распределение потоков воздуха по помещению. Это может привести к образованию участков с плохой циркуляцией, где будут накапливаться избыточная влага и конденсат. Важно предусмотреть грамотное расположение всех элементов системы, чтобы воздух равномерно распространялся по всему пространству и не создавал «мертвых» зон.
Игнорирование специфики помещения
Не учитывание всех факторов, связанных с особенностями помещения, также является серьезной ошибкой. Например, размеры водоема, его расположение, а также количество людей, находящихся в помещении, могут существенно повлиять на требования к системе воздухообмена. Важно внимательно подойти к проектированию и учесть все параметры, чтобы избежать неприятных последствий в будущем.








