Правильная организация потоков воздуха на производственных объектах имеет решающее значение для создания комфортных условий труда и обеспечения безопасности. Такие системы помогают поддерживать оптимальный микроклимат, уменьшая влияние вредных факторов на работников и процессы. Важно, чтобы все элементы системы были правильно подобраны и соответствовали ряду технических стандартов.
Учитывая разнообразие объектов и специфические условия, такие решения должны разрабатываться с учётом множества факторов. Это касается как типа помещения, так и характеристик воздуха, требующих регулировки. От правильного выбора и установки оборудования зависит не только качество работы, но и здоровье сотрудников.
В этом разделе мы рассмотрим ключевые моменты, которые необходимо учитывать при проектировании и эксплуатации подобных систем на предприятиях, а также обсудим, какие нормативы существуют в этой сфере.
Облако тегов
Основные принципы проектирования систем воздухообмена
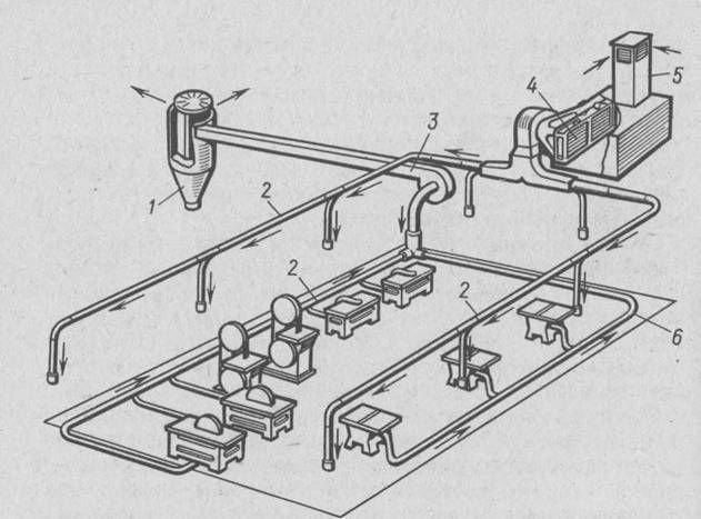
Создание эффективных и безопасных решений для регулировки воздушных потоков в рабочих зонах требует тщательного подхода и учета множества факторов. В первую очередь, проектировщики должны сосредоточиться на обеспечении стабильности и равномерности распределения воздуха, что напрямую влияет на условия труда и качество производственного процесса. Каждое предприятие требует индивидуального подхода в зависимости от его размеров, типов деятельности и специфики эксплуатации.
Ключевыми аспектами при разработке таких систем являются правильное размещение воздуховодов, определение необходимой мощности оборудования и выбор эффективных фильтров. Важно также учитывать энергоэффективность, чтобы минимизировать эксплуатационные расходы, и следить за соответствием установленных решений действующим стандартам и нормативам. Для оптимальной работы системы должны быть учтены как внутренние, так и внешние условия: температура, влажность, загрязнение воздуха и другие параметры, которые могут влиять на микроклимат.
Каждый этап проектирования направлен на создание безопасной и комфортной рабочей среды, где работающие люди смогут эффективно выполнять свои обязанности без риска для здоровья.
Облако тегов
Требования к системам воздухообмена в различных отраслях
Каждая отрасль предъявляет уникальные запросы к организации воздушных потоков в зависимости от специфики производственных процессов. В некоторых случаях акцент ставится на защиту от вредных веществ, в других – на обеспечение необходимого уровня комфорта и безопасности для работников. Нормативы и стандарты, регулирующие эти системы, различаются в зависимости от вида деятельности, характера загрязнений и рабочих условий.
К примеру, в химической промышленности требуется создание условий, минимизирующих воздействие токсичных веществ, что делает необходимость в точной настройке интенсивности воздушных потоков особенно важной. В то время как в пищевой отрасли особое внимание уделяется чистоте воздуха и удалению избыточной влаги. Разные сферы требуют подбора специализированного оборудования, включая фильтры, системы контроля влажности и температуры, чтобы соответствовать стандартам безопасности и производительности.
Для каждой области важно, чтобы все параметры поддерживались на оптимальном уровне, что способствует повышению эффективности работы и созданию здоровых условий для сотрудников.
Облако тегов
Выбор оборудования для производственных объектов
Правильный подбор устройств и техники для обеспечения качественного воздухообмена играет важную роль в создании комфортных условий на рабочих местах. Важно учитывать не только производственные особенности, но и требуемые характеристики устройств, такие как мощность, эффективность и способность справляться с определёнными задачами. Кроме того, оборудование должно соответствовать нормам безопасности и быть энергоэффективным, что снижает эксплуатационные расходы.
Основные факторы при выборе оборудования
При выборе необходимого оборудования нужно учитывать несколько ключевых факторов: тип загрязнителей, размер рабочих пространств, а также интенсивность работы системы. Например, в помещениях с высоким уровнем загрязненности требуется использование более мощных устройств с высокой фильтрацией. Оборудование должно быть достаточно надёжным, чтобы справляться с большими объёмами воздуха и различными внешними факторами, такими как температура и влажность.
Учитываем экономичность и долговечность
Не менее важным аспектом является долговечность и экономичность устройств. При высоких эксплуатационных нагрузках необходимо выбирать такие устройства, которые обеспечат долгосрочную работу без значительных затрат на обслуживание. Кроме того, важно, чтобы техника была адаптирована под существующие системы и могла интегрироваться с другими технологическими процессами на объекте.








